néha nem árt továbbképződni, rajzot már kaptál, ugyhogy legközelebb már nem mondhatod hogy nem tudoddaniv6 wrote:nem tudtam mi az a relé (most se) ezért kézi kapcsolós volt.
Hűtő
Moderators: SONI, Pudva, Bogyo28
- Bogyo28
- Überführer
- Posts: 5459
- Joined: Sat Dec 04, 2004 9:11 pm
- ClassicFord klubtag?: Igen
- Location: Budapest-Budakalász
- Contact:
Re: Hűtő
"...ha Detroit-nak végevan, a világnak végevan..."
"...akkor vedd meg ezt, vagy egy ilyet..."
...A Xikla...
1978 Ford Capri MKIII 2.9 V6 24V cosworth
1974 Ford Transit MKI 1.7 V4
"...akkor vedd meg ezt, vagy egy ilyet..."
...A Xikla...
1978 Ford Capri MKIII 2.9 V6 24V cosworth
1974 Ford Transit MKI 1.7 V4
- Bogyo28
- Überführer
- Posts: 5459
- Joined: Sat Dec 04, 2004 9:11 pm
- ClassicFord klubtag?: Igen
- Location: Budapest-Budakalász
- Contact:
Re: Hűtő
http://www.fordscorpio.co.uk/leaks.htm" onclick="window.open(this.href);return false;
itt van pár rajz...
itt van pár rajz...
"...ha Detroit-nak végevan, a világnak végevan..."
"...akkor vedd meg ezt, vagy egy ilyet..."
...A Xikla...
1978 Ford Capri MKIII 2.9 V6 24V cosworth
1974 Ford Transit MKI 1.7 V4
"...akkor vedd meg ezt, vagy egy ilyet..."
...A Xikla...
1978 Ford Capri MKIII 2.9 V6 24V cosworth
1974 Ford Transit MKI 1.7 V4
- White Shark
- nagyonsokatirogat
- Posts: 1028
- Joined: Fri Feb 05, 2010 2:18 pm
- ClassicFord klubtag?: Igen
- Location: Székesfehérvár
Re: Hűtő
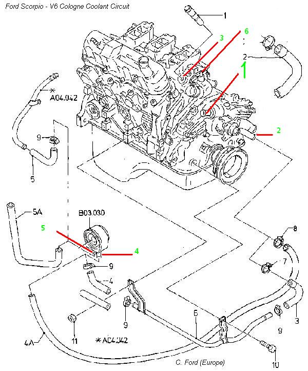
Ahogy a képeket nézem ,talán más problémád lehet . A hűtőd magasabban van mint a motor, és nem látok légtelenítőt.Mivel más a rendszer a hütődben levegő maradhat és az sosem megy lefelé,talán ettől melegszik.
-
Natalie Driver Gabe
Re: Hűtő
a 2.3nál is ott volt és nem volt gond vele sohaWhite Shark wrote:Ahogy a képeket nézem ,talán más problémád lehet . A hűtőd magasabban van mint a motor, és nem látok légtelenítőt.Mivel más a rendszer a hütődben levegő maradhat és az sosem megy lefelé,talán ettől melegszik.
A termosztátot amúgy is ki veszem megnézem mert gyanús nekem.
Viszont hátha így könnyebb
Melyiket hova kössem ???
Bocsi hogy így , de elméletben mennie kellene rendesen de mégsem jó !!!
- Bogyo28
- Überführer
- Posts: 5459
- Joined: Sat Dec 04, 2004 9:11 pm
- ClassicFord klubtag?: Igen
- Location: Budapest-Budakalász
- Contact:
Re: Hűtő
szerintem a zöld számok szerint:Natalie Driver Gabe wrote:a 2.3nál is ott volt és nem volt gond vele sohaWhite Shark wrote:Ahogy a képeket nézem ,talán más problémád lehet . A hűtőd magasabban van mint a motor, és nem látok légtelenítőt.Mivel más a rendszer a hütődben levegő maradhat és az sosem megy lefelé,talán ettől melegszik.
A termosztátot amúgy is ki veszem megnézem mert gyanús nekem.
Viszont hátha így könnyebb
Melyiket hova kössem ???
Bocsi hogy így , de elméletben mennie kellene rendesen de mégsem jó !!!
2-ből megy a 4-be
5-ből a fűtőradiátorba
fűtőradiátorból a 3-asba
a 6-os a képen a hőgombára mutat, de ha a felső cső akarna lenni, akkor az a hűtőbe menne felülre, gyárilag itt szokott lenni a légtelenítő csavar
1-es a tágulási tartályba
a tágulási tarály vastagabb csöve pedig a hűtő alsó csövébe van bekötve egy Y-al, ami a képen nincs számozva
"...ha Detroit-nak végevan, a világnak végevan..."
"...akkor vedd meg ezt, vagy egy ilyet..."
...A Xikla...
1978 Ford Capri MKIII 2.9 V6 24V cosworth
1974 Ford Transit MKI 1.7 V4
"...akkor vedd meg ezt, vagy egy ilyet..."
...A Xikla...
1978 Ford Capri MKIII 2.9 V6 24V cosworth
1974 Ford Transit MKI 1.7 V4
-
Natalie Driver Gabe
Re: Hűtő
Köszönöm SÍRBogyo28 wrote:szerintem a zöld számok szerint:Natalie Driver Gabe wrote:a 2.3nál is ott volt és nem volt gond vele sohaWhite Shark wrote:Ahogy a képeket nézem ,talán más problémád lehet . A hűtőd magasabban van mint a motor, és nem látok légtelenítőt.Mivel más a rendszer a hütődben levegő maradhat és az sosem megy lefelé,talán ettől melegszik.
A termosztátot amúgy is ki veszem megnézem mert gyanús nekem.
Viszont hátha így könnyebb
Melyiket hova kössem ???
Bocsi hogy így , de elméletben mennie kellene rendesen de mégsem jó !!!
2-ből megy a 4-be
5-ből a fűtőradiátorba
fűtőradiátorból a 3-asba
a 6-os a képen a hőgombára mutat, de ha a felső cső akarna lenni, akkor az a hűtőbe menne felülre, gyárilag itt szokott lenni a légtelenítő csavar
1-es a tágulási tartályba
a tágulási tarály vastagabb csöve pedig a hűtő alsó csövébe van bekötve egy Y-al, ami a képen nincs számozva
Meglátjuk
- levelboss
- nagyonsokatirogat
- Posts: 1065
- Joined: Wed Sep 06, 2006 4:05 pm
- ClassicFord klubtag?: Igen
- Location: Budapest
Re: Hűtő
Sziasztok!
Egy kis segítség kéne, mert valahogy nem úgy működik a hűtőm, mint előtte.
A történet az, h olyan földre csöves rendszerem van, ami gyakorlatilag folyamatosan ereszti ki a vizet, ha meleg a motor. Ezért folyamatosan utána kell töltögetnem a hűtőfolyadékot. Régebben ezt nem csinálta. Azzal a túlfolyó, v milyen tartállyal lehet a gond?
Egy kis segítség kéne, mert valahogy nem úgy működik a hűtőm, mint előtte.
A történet az, h olyan földre csöves rendszerem van, ami gyakorlatilag folyamatosan ereszti ki a vizet, ha meleg a motor. Ezért folyamatosan utána kell töltögetnem a hűtőfolyadékot. Régebben ezt nem csinálta. Azzal a túlfolyó, v milyen tartállyal lehet a gond?
Ford Capri 1978 2600 GT :D
- Pudva
- rengetegetirogatide
- Posts: 2543
- Joined: Mon Feb 28, 2005 4:59 pm
- ClassicFord klubtag?: Igen
- Location: Nyóc + a Tizenhárom
- Contact:
Re: Hűtő
Ha felmelegszik a víz akkor nem csinál olyat, hogy leáll a motor ha alapjáraton van?levelboss wrote:Sziasztok!
Egy kis segítség kéne, mert valahogy nem úgy működik a hűtőm, mint előtte.
A történet az, h olyan földre csöves rendszerem van, ami gyakorlatilag folyamatosan ereszti ki a vizet, ha meleg a motor. Ezért folyamatosan utána kell töltögetnem a hűtőfolyadékot. Régebben ezt nem csinálta. Azzal a túlfolyó, v milyen tartállyal lehet a gond?
'80 Ford Capri Mk III. V6 2.8
'94 Ford Escort Mk Vb 1.4 CLX
-= Az utcának az a színfoltja, kinek van egy FORD-ja =-
.: DayWalker :.
.: family rosso :.
'94 Ford Escort Mk Vb 1.4 CLX
-= Az utcának az a színfoltja, kinek van egy FORD-ja =-
.: DayWalker :.
.: family rosso :.
- levelboss
- nagyonsokatirogat
- Posts: 1065
- Joined: Wed Sep 06, 2006 4:05 pm
- ClassicFord klubtag?: Igen
- Location: Budapest
Re: Hűtő
Neeem! Semmi hasonló. Sőt, akkor van jó, nem lefulladós alapjáratom, amikor meleg a motor... de ez más téma.Pudva wrote:Ha felmelegszik a víz akkor nem csinál olyat, hogy leáll a motor ha alapjáraton van?levelboss wrote:Sziasztok!
Egy kis segítség kéne, mert valahogy nem úgy működik a hűtőm, mint előtte.
A történet az, h olyan földre csöves rendszerem van, ami gyakorlatilag folyamatosan ereszti ki a vizet, ha meleg a motor. Ezért folyamatosan utána kell töltögetnem a hűtőfolyadékot. Régebben ezt nem csinálta. Azzal a túlfolyó, v milyen tartállyal lehet a gond?
Ford Capri 1978 2600 GT :D
- Bogyo28
- Überführer
- Posts: 5459
- Joined: Sat Dec 04, 2004 9:11 pm
- ClassicFord klubtag?: Igen
- Location: Budapest-Budakalász
- Contact:
Re: Hűtő
inkább a hűtő sapkájával...levelboss wrote:Sziasztok!
Egy kis segítség kéne, mert valahogy nem úgy működik a hűtőm, mint előtte.
A történet az, h olyan földre csöves rendszerem van, ami gyakorlatilag folyamatosan ereszti ki a vizet, ha meleg a motor. Ezért folyamatosan utána kell töltögetnem a hűtőfolyadékot. Régebben ezt nem csinálta. Azzal a túlfolyó, v milyen tartállyal lehet a gond?
"...ha Detroit-nak végevan, a világnak végevan..."
"...akkor vedd meg ezt, vagy egy ilyet..."
...A Xikla...
1978 Ford Capri MKIII 2.9 V6 24V cosworth
1974 Ford Transit MKI 1.7 V4
"...akkor vedd meg ezt, vagy egy ilyet..."
...A Xikla...
1978 Ford Capri MKIII 2.9 V6 24V cosworth
1974 Ford Transit MKI 1.7 V4
- Blant
- nagyonsokatirogat
- Posts: 1352
- Joined: Sun Dec 05, 2004 6:24 pm
- ClassicFord klubtag?: Igen
- Location: Budapest
Re: Hűtő
Jaja! Hűtősapka csere lesz!
A hangom, a rangom tartom pardon
NEM ELADÓ!
A kedvem, a lelkem, a nemem, a szlengem
NEMM ELLADÓÓ
'78 Ford Capri mkIII Ghia 2,8i EFI, az imádott!
'85 Ford Fiesta mkII 1.6D, az Istencsászár, az 5literrel rohangálós, a hidegben is beindulós.
NEM ELADÓ!
A kedvem, a lelkem, a nemem, a szlengem
NEMM ELLADÓÓ
'78 Ford Capri mkIII Ghia 2,8i EFI, az imádott!
'85 Ford Fiesta mkII 1.6D, az Istencsászár, az 5literrel rohangálós, a hidegben is beindulós.
- Tibi
- rengetegetirogatide
- Posts: 4408
- Joined: Tue May 31, 2005 10:12 am
- ClassicFord klubtag?: Igen
- Location: Miskolc - Bp
- Contact:
Re: Hűtő
Elbaszódottlevelboss wrote:Fúúú... ez elég sejtelmesen hangzik!Mit vétett szegény hűtősapka??
http://www.youtube.com/watch?v=0JdDWWoX-70" onclick="window.open(this.href);return false;
1980 Capri MK3
- levelboss
- nagyonsokatirogat
- Posts: 1065
- Joined: Wed Sep 06, 2006 4:05 pm
- ClassicFord klubtag?: Igen
- Location: Budapest
Re: Hűtő
Értem én, értem én... de hogy most nem így néz ki a hűtősapkám az tuti... mármint nincs benne az a rugós cucc, csak egy tető, azt csá. Persze már vágom, h épp ez a baj... de azt viszont nem vágom, h mikor vesztette el azt az alsó részét...Tibi wrote:Elbaszódottlevelboss wrote:Fúúú... ez elég sejtelmesen hangzik!Mit vétett szegény hűtősapka??
Remélem segítettem !
http://www.youtube.com/watch?v=0JdDWWoX-70" onclick="window.open(this.href);return false;
Ford Capri 1978 2600 GT :D